This is a toast

This is a description of the toast

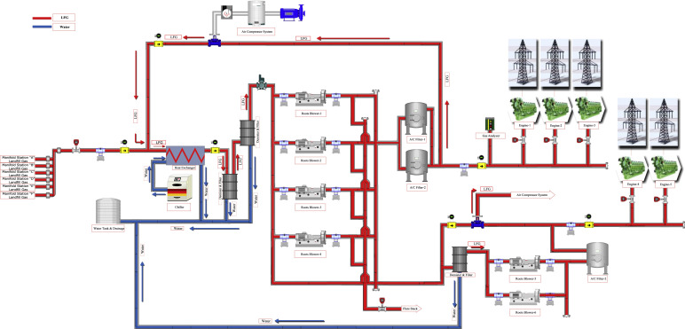
Tecnologie di termovalorizzazione per la gestione dei rifiuti solidi urbani a Gaziantep

en
  • Informazione
  • Fornitore/fonte
  • Materiale
  • Valutazione

Specifiche FEFTS

Articolo scientifico

per Fornitura di energia pulita (Sistema di produzione di energia)

Fonte di energia rinnovabile

Gas di discarica

Tecnologia utilizzata

Produzione di biogas/biometano

Tipo speciale

Tecnologie di digestione anaerobica

Energia prodotta

Elettricità

Adatto/ideale per

AC

Settore agricolo

Agricoltura in pieno campo, Bestiame, Serre

Adatto a

Generatore di energia, Servizi di consulenza, Decisori politici, Aziende, Industria

Applicazioni

Fornitura di energia (ad es. elettricità)

Specialmente

Elettricità

Tipo di soluzione

Metodologia, Procedura

AgEnergy Platform

eu
Questo progetto ha ricevuto finanziamenti dal programma di ricerca e innovazione Horizon 2020 dell'Unione Europea nell'ambito della convenzione di sovvenzione ID 10100496

Questa piattaforma AgEnergy è stata sviluppata solo utilizzando materiale pubblicato da diverse fonti ad accesso aperto. L'obiettivo principale della piattaforma AgEnergy è facilitare la diffusione di informazioni utili per una migliore applicazione di strategie e tecnologie fossil-energy free (FEFTS), e non ha scopi commerciali o comparativi. Se non sei d'accordo con la diffusione delle informazioni, ti preghiamo di contattarci all'indirizzo info@agrofossilfree.eu

Creato da agenso