This is a toast
This is a description of the toast
Thuis
Instructievideo, instructievideo, Hoe FEFTS te uploaden-video
Bladeren tussen FEFTS oplossingen
AI Decision Support Tool
Taal
Lang
nl
en
el
pl
es
it
de
da
Inloggen
Thuis
Instructievideo, instructievideo, Hoe FEFTS te uploaden-video
Bladeren tussen FEFTS oplossingen
AI Decision Support Tool
Inloggen
Inschrijven
Sorteer op:
Nieuwste
Oudste
Alfabetisch van A tot Z
Alfabetisch van Z tot A
Uw zoekopdracht leverde geen resultaten op. Probeer een andere zoekterm.
Toont 1811 tot 1820 van 1961 FEFTS
Droogprestaties en economische analyse v...
In Oost-Afrika is het verlies aan vers, bederfelijk fruit na de oogst enorm, wat...
Agrivoltaics align with green new deal g...
Agrivoltaic systems combine solar photovoltaic energy production with agricultur...
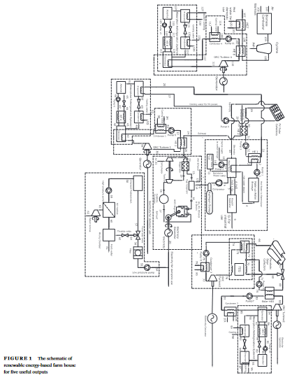
A novel renewable energy-based integrate...
A renewable energy based integrated system is developed to meet the total energy...
Suitability, sizing, economics, environm...
Irrigation is an essential part of agriculture which helps to sustain crop growt...
Land, water and energy: The crossing of...
The paper focusses on the impact on dryland ecosystems of conflicting governance...
Micro-grid solar photovoltaic systems fo...
The objective of this paper is to study the impact of using micro-grid solar pho...
Opwaardering en herontwerp van een mobie...
Het produceren van pellets is een proces in verschillende stappen, dat werkzaamh...
Mobiele pelletiseerinstallatie
In het kader van het door de EU gefinancierde Proxipel-project is een mobiele pe...
Determinanten van energie-efficiëntie in...
Sinds de Europese Richtlijn Energie-efficiëntie is er veel aandacht voor en...
A review on recent developments in therm...
The recent studies on thermal performance enhancement of the flat plate solar ai...
1
2
...
179
180
181
182
183
184
185
...
196
197
Deze website maakt gebruik van cookies om u de beste browse-ervaring te bieden. Lees meer op
hier
.
Weiger alles
Accepteer alles